Elektromanyetik dalgaların keşfi birçok fikri ve yeniliği de peşinde getirdi. Eğer uzayın bir yerinde yaratılan dalgalar, uzak başka bir köşesinde ki parçacıkları (elektron) eş zamanlı uyarabiliyorsa bu bilginin de çok uzak mesafelere aynı sürede (ışık hızıyla) iletilebileceği anlamına geliyordu. Ancak bu bilginin verici(yayıcı) kısmında anlamlı bir şekle (akım / gerilim) dönüştürülmesi ve alıcının da bu bilgiyi, bu şekilden tekrar eski haline çevirmesi beklenirdi. Çünkü bilginin taşınması ancak bu yolla mümkün olabiliyordu.
Bu yazıda bilginin dönüştürülmesi ve işlenmesini anlatmayacağım. Bu işlemlerin hali hazırda yapılmış olduğunu düşünelim. Bilgiyi gönderebilmek için değişen alanlara ihtiyacımız olduğunu biliyoruz. (değişen alanlar birbirini yaratır.) Göndereceğimiz bilgide zaten sürekli değişen rastgele sinyallerden oluşur.(örneğin konuşmaların zaman-geririlim grafikleri rastgele süreçlerdir.) Ancak sinyal frekansları (ses için 20-20khz) mevcut iletişim için yetersiz ve verimsiz kalır. Ayrıca birçok kaynaktan alınan bilgileri aynı frekans bandından da gönderemezsiniz. Belki her birini frekans izgesinde kaydırarak göndermeniz, mevcut kanalın bant aralığını da kullanmanızı sağlar (radyo yayınları). Ayrıca sinyali düşük frekansta yaymak için kullanılan anten boyunun da çok büyük olması gerekir. Tüm bunları hesaba kattığımızda bilgi sinyalinin modüle edilmesi (kipleme) doğru bir yöntemdir. Modülasyon, düşük frekanslı bir sinyalin, taşıyıcı denilen yüksek frekanslı bir sinyal üzerine bindirilmesidir. Bu şekilde bilgi, kolayca uzak mesafelere gönderilir ve verici kısmında taşıyıcıdan arındırılarak kullanılabilir (demodülasyon). Üç çeşit analog modülasyon vardır. Onlardan biride bilginin, taşıyıcının genliğinde gönderildiği genlik modülasyonudur (AM). Sabit genlikli yüksek frekanslı taşıyıcı, bilgi sinyali ile modüle edildiğinde aşağıda (c) görünün sinyal elde edilir. Modüle olmuş sinyalin zarfı(genliği) takip edildiğinde ise bilgi sinyali kolayca görülebilir.
Bu işlem matematikte çarpma işlemine karşılık gelir. Yani eğer bilgi sinyalimiz m(t) ve taşıyıcı sinyalimiz c(t) ise, modüle olmuş sinyalimiz;
olur. Taşıyıcı olarak da kolay üretilebilmeleri ve sahip oldukları matematiksel özelliklerinden dolayı cosinüs sinyalleri tercih edilir. Bu sinyalleri istenilen frekansta elektronik ortamda osilatörler ile üretmek oldukça kolaydır. Bu durumda modüle olmuş sinyal;
şeklinde ifade edilir.
Çarpma işlemi doğrusal olmadığı için diğer doğrusal matematik işlemlerinden (toplama, çıkarma, integral, türev..) farklıdır. Bu nedenle modülasyon işlemi sadece doğrusal ve pasif devre elemanları (R,L,C) kullanılarak gerçekleştirilemez. Lineer olmayan aktif bileşenlere ihtiyaç duyulur. En çok kullanılanlar ise diyotlar ve transistörlerdir. Şimdi bunun nasıl gerçekleştiğine bakalım.
Diyotlar yarı iletken aktif devre elemanlarıdır. Üzerinden geçen akım ve uçları arasında ki gerilim ilişkisi bir dirençte olduğu gibi doğrusal değildir ve aşağıdaki Shockley bağıntısıyla verilir.
Bu denklemde Is ve Vt diyot sabitleridir. Vd ise diyotun anot ve katot uçları arasında ki gerilimi gösterir. I beklenildiği gibi diyot üzerinden akan akımdır.
Elimizde ki bu denklemi, biraz matematik kullanarak çarpma işlemini gerçekleştirmek için düzenlememiz gerekir. Bunun için Taylor serisini kullanmak oldukça makul bir çözümdür.
İfadeyi sabit terimden arındırıp yüksek dereceli terimleri de ihmal edersek, anlamlı olarak sadece 2. ve 3. terimler kalacaktır. Bu açılımı da diyot denklemine uygularsak aşağıdaki ifadeyi elde ederiz.
Bu denklem bize şunu gösterir. Eğer Vd’yi iki sinyalin (taşıyıcı ve mesaj) toplamı şeklinde yazabilirsek, kareli ifade bize istediğimiz çarpımı verecektir. Tabi bunun yanında daha birçok terim ve sabit de oluşabilir. Bunların iyi tasarlanmış devreler ve süzgeçlerle giderilmesi göndericinin kalitesini artıracaktır.
Bu olay aşağıdaki matematiksel ifade de özetlenmiştir.
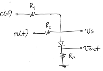
Sinyalleri toplamak, elektrik devrelerinde kolay bir işlemdir. Aşağıdaki devrede Vx geriliminin değeri, c(t) ve m(t) sinyallerinin toplamıyla orantılıdır. Uygun direnç değerleriyle istenilen oran elde edilebilir. Buradaki diyot üzerinden geçen akımın Re direnci üzerine düşüreceği gerilim (Vout) istediğimiz modüle sinyali bize verecektir.
Bununla birlikte daha öncede belirttiğim gibi istenmeyen daha birçok bileşeni de içerdiği için bu genlik modülatörü pratikte tercih edilmez. Ayrıca diyot, üzerinde negatif gerilim oluştuğunda akım geçirmeyeceğinden çıkış sinyali modülasyonun negatif tarafını kırpacaktır. Bu devreyi size göstermem de ki amaç bu işlemin matematik yapısının anlaşılmasını sağlamaktır.
Şimdi gördük ki aktif bileşen bizlere sinyalin karesini almamızı sağlamış oldu. Bizde bunu kullanarak iki sinyalin toplamının karesini almış olduk ve bu bize sinyallerin çarpımını içeren bir ifade vermiş oldu. Aslında sinyallerin toplamı şart değil, keza farklarının da karesi bize yine çarpımlarını verecektir. Şimdi bu bilgiyi uygulayabileceğimiz başka bir modülatör görelim.
Bu yükselteç devresinde beyz ve emitör arasındaki diyotun iki ucu arasındaki gerilimi Vbe; taşıyıcı sinyalin ve mesaj sinyalinin farkı kadardır. [ Vbe = c(t)-m(t) ]. Yine diyot denkleminin kullanılmasıyla görülecektir ki emitör akımı ve dolayısıyla kolektör akımı çıkışta istenilen modüle olmuş sinyalin gerilimini oluşturacaktır.
Aynı teori, alan etkili transistörlere de (FET) uygulanabilir. Bir Fet in akım bağıntısı aşağıdaki ifade ile verilir.
Burada Vg, Fet’in kapı gerilimi, Vp ise sabit eşik gerilimidir, k ise sabit bir sayıdır. Bu ifadeden anlaşılabileceği gibi Fet’in kapı(gate) girişine uygulanan bir sinyaller toplamı çıkışta çarpım bileşenini verecek bir akım meydana getirecektir.
Tüm bu çarpma işlemlerini meydana getiren devrelere mixer denir ve haberleşme elektroniğinde sıkça kullanılırlar. Bir mixerin kalitesi ürettiği sinyalin saflığı yani ekstra bileşenleri arındırma kapasitesine bağlıdır. Piyasada 1496 gibi analog modülasyon entegreleri bulunur. Gelişmiş mixerlerin analizi ve tasarımı analog sinyal işleme becerisi gerektirir. Bu bakımdan doğrusal olmayan devre elemanlarının çalışma prensibini bilmek elzemdir.
Genlik modülasyonu öğrenmesi ve anlaşılması en basit olan modülasyon türüdür. Elinizdeki bilgiyi kipleyip bir anten ile göndermek ise bilginin tekrar alınıp kullanılması için yeterli değildir. Bu işlemlerin bir nevi tersini de alıcı tarafında yapılıp, modüle olmuş sinyali demodüle etmemiz gerekir. Bu işlem de yine doğrusal değildir ve aktif elemanların kullanılmasını gerektirir. Bu ise başka bir yazının konusu olabilir J
Herkese iyi çalışmalar
Emin Üçer
@Emin_Ucer
@Emin_Ucer










Hiç yorum yok:
Yorum Gönder